Formulaire entretoise personnalisé

Si nos entretoises standard ne répondent pas à vos exigences, veuillez utiliser ce formulaire de demande pour votre fabrication individuelle d'entretoises.

* sont obligatoires

Veuillez indiquer toutes les dimensions en millimètres (mm).

-----------------------------------------------------------------------------------------------------------------------------------------------------------------------------------------------

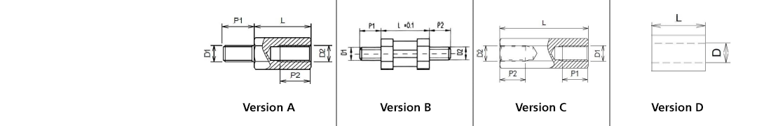
Important: les versions avec six pans extérieurs (SW) ne sont disponibles que pour les versions A à C.

-----------------------------------------------------------------------------------------------------------------------------------------------------------------------------------------------

Important: veuillez noter que les contre-dépouilles ne sont réalisables que pour les filetages extérieurs et uniquement pour les versions métalliques.

-----------------------------------------------------------------------------------------------------------------------------------------------------------------------------------------------

-----------------------------------------------------------------------------------------------------------------------------------------------------------------------------------------------

-----------------------------------------------------------------------------------------------------------------------------------------------------------------------------------------------

-----------------------------------------------------------------------------------------------------------------------------------------------------------------------------------------------

-----------------------------------------------------------------------------------------------------------------------------------------------------------------------------------------------